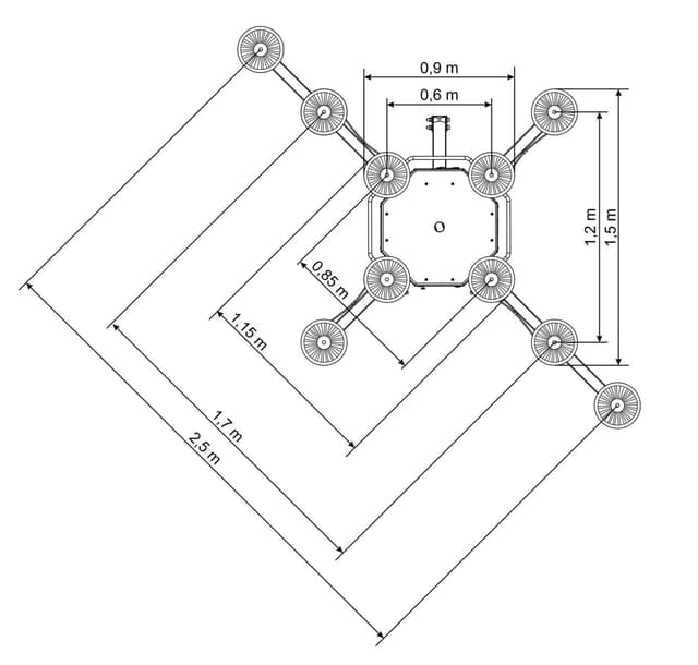
| Ilość przyssawek | 10 szt. |
| Wielkość przyssawek | Ø 310 mm |
| System próżniowy | dwuobwodowy |
| Min/max próżnia | -0,6 / -0,8 bar |
| Zasilanie | akumulator 12 V |
| Udźwig | 800 kg |
| Obrót | Manualny o 360°, blokada co 45° |
| Pilot | Tak |
| Uchylanie | Wielostopniowe, manualne |
| Ładowarka | Tak – ze wskaźnikiem naładowania baterii |
| Waga urządzenia | 96 kg |
| Mocowanie haka | Dwupoziomowe |
Wyposażenie opcjonalne
| Dystanse HS | Regulacja głębokości przyssawki |
| Wózek transportowy | Wózek do transportu chwytak |
| Skrzyniopaleta | Do przechowywania chwytaka |
| Pokrowce | Do ochrony przyssawek |






